
|
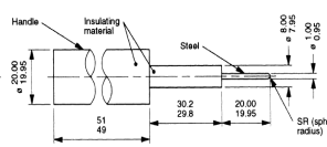
型號 |
YW-I30 (BS探針,端部倒圓) |
YW-I30A |
|
探針直徑 |
Ф1 0 -0.05 |
Ф1 0 -0.1 |
|
絕緣材料直徑 |
Ф8 0 -0.05 |
Ф8 |
|
手柄直徑 |
Ф20 0 -0.05 |
Ф20 |
|
探針長 |
20 0 -0.05 |
20 |
|
絕緣材料長 |
30±0.2 |
30 |
|
手柄長 |
50±1 |
50 |
|
標準圖 |
![]() |
![]() |



查看手機網站